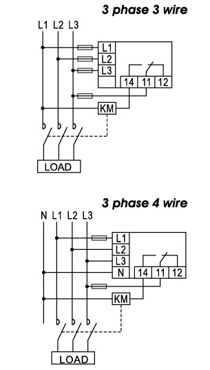
Voltage Monitoring Relay DVS-2000
Chi tiết sản phẩm
Features |
- True RMS measurement |
- Over / Under voltage monitoring |
- Phase Asymmetry monitoring |
- Phase Sequence monitoring |
- Phase failure monitoring |
- Adjustable Over / Under voltage setting |
- Real time L-L voltage & Fault display |
- LCD back-lit display |
- Test trip function |
- Selectable Auto / Manual reset function |
- Adjustable Start / Reset time delay |
- Din-railed mount |





Thông tin liên hệ
CÔNG TY TNHH THƯƠNG MẠI KỸ THUẬT AN LỘC PHÁT
Địa chỉ: Trụ sở: 31/14 Tân Trụ, Phường Tân Sơn, TpHCM.
Điện thoại: (028) 3815 3642 - Fax: (028) 3815 3743 - MST: 0311785470
Website: anlocphatco.vn - Email: info@anlocphatco.vn
Sản phẩm liên quan















