Bộ Điều Khiển Tụ Bù Tự Động DELAB 7 Cấp NV7
Chi tiết sản phẩm
Features
- Micro-processor based
- Cos φ and power factor info
- LED indication for individual step
- Auto C/K detection
- Auto or manual operation
- Auto detection of C.T. polarity
- Secondary current info
- Voltage & Frequency info
- THD-I and THD-V info
- Programmable over voltage alarm
- Alarm or fan output
- Programmable software lock
- Flush mount

.png)


Hướng dẫn cài đặt bộ điều khiển Delab NV5/NV7
Cài đặt thông số
Nhấn Select để vào chức năng cài đặt các thông số. Thay đổi bằng phím ( + ) hay ( - ). Sau đó nhấn Set để lưu lại giá trị cài đặt. Có 10 Mode để cài đặt
Mode 1: C/K Setting - Cài đặt hệ số C/K
Bước 1: Dùng phím Select để chọn Mode 1. Hiển thị “Aut” hay ngưỡng từ 0.02 – 1. Bước 2: Để cài đặt đúng C/K dùng “Up/(+)” hay “Down/(-)” điều chỉnh giá trị mong muốn. Bước 3: Để lưu lại và chuyển qua Mode 2, bấm phím SET. Bỏ qua dùng Cancel
Tính toán hệ số C/K khi cài đặt ở chế độ Manual:
Cấp tụ thứ 1 = 25Kvar
Tỉ số biến dòng = 800/5A = 160
Giá trị C/K = Kvar (cấp thứ 1)/ Tỉ số biến dòng = 25Kvar/160 = 0.15
Giá trị Kvar thực và Kvar định mức của tụ phụ thuộc theo điện áp:
True Kvar = (Điện áp thực/ Điện áp tụ)2 * Kvar trên tụ
Ví dụ: Tụ 30kvar, điện áp tụ điện: 525V
Lắp vào lưới điện thực tế = 415V
Giá trị Kvar thực = (415/525)2*30 = 19Kvar
Mode 2: Target Cos(phi) Setting - Cài đặt hệ số công suất mong muốn
Bước 1: Dùng phím Select để chọn Mode 2. Hiển thị “0.95” (mặc định của nhà máy lập trình) hay ngưỡng từ 0.85Ind – 0.95Cap.
Bước 2: Để cài đặt Cos(phi) dùng “Up/(+)” hay “Down/(-)” điều chỉnh giá trị mong muốn.
Bước 3: Để lưu lại và chuyển qua Mode 3, bấm phím SET. Bỏ qua dùng Cancel
Mode 3: Step Interval - Thời gian đóng tụ
Bước 1: Dùng phím Select để chọn Mode 3. Hiển thị “12” (mặc định của nhà máy lập trình) hay ngưỡng từ 2.0 – 60 giây.
Bước 2: Để cài đặt thời gian dùng “Up/(+)” hay “Down/(-)” điều chỉnh giá trị mong muốn.
Bước 3: Để lưu lại và chuyển qua Mode 4, bấm phím SET. Bỏ qua dùng Cancel
Mode 4: Program Sequency - Cài đặt Chương trình đóng cắt tụ
Bước 1: Dùng phím Select để chọn Mode 4. Hiển thị “Aut” (Chế độ tự động hay ngưỡng từ Aut hay P0 – P6.
Bước 2: Để cài đặt dùng “Up/(+)” hay “Down/(-)” điều chỉnh giá trị mong muốn.
Bước 3: Để lưu lại và chuyển qua Mode 5, bấm phím SET. Bỏ qua dùng Cancel
- P-0 : Linear: tuyến tính
- P-1: 11111
- P-2: 12222
- P-3: 11222
- P-4: 11122
- P-5: 12444
- P-6: 11224
Mode 5: No. of connected steps - Cài đặt cấp sử dụng
Bước 1: Dùng phím Select để chọn Mode 5. Hiển thị “C - 5” (NV5 : C1 – C5; NV7: C1 – C7). Riêng NV5 có thêm một cấp thứ 6: C 6 tương đương BĐK 6 cấp.
Bước 2: Để cài đặt dùng “Up/(+)” hay “Down/(-)” điều chỉnh giá trị mong muốn.
Bước 3: Để lưu lại và chuyển qua Mode 6, bấm phím SET. Bỏ qua dùng Cancel
Mode 6: Voltage > (V) - Cài đặt kiểm soát quá điện áp
Bước 1: Dùng phím Select để chọn Mode 6. Hiển thị “OFF” (Không kiểm soát) hay ngưỡng OFF hay cài đặt từ 240 – 270V. Khi có sự cố Alarm sẽ hiển thị cảnh báo là “UV”
Bước 2: Để cài đặt dùng “Up/(+)” hay “Down/(-)” điều chỉnh giá trị mong muốn.
Bước 3: Để lưu lại và chuyển qua Mode 7, bấm phím SET. Bỏ qua dùng Cancel.
Các Mode 7 – Mode A: Chỉ dùng để xem, không điều chỉnh được.
Mode 7: Voltage > (V)/ Frequency(Hz) Kiểm tra xem quá điện áp/ Tần số
Dùng phím Select để chọn Mode 7. Hiển thị giá trị điện áp: “Voltage”, nhấn và giữ “Up/(+)” để xem giá trị tần số”Frequecy” (Hz)
Để chuyển qua Mode 8, bấm phím SELECT. Bỏ qua dùng Cancel
Mode 8: Isec (A)/ THD – I ( % )/P.F - Kiểm tra xem dòng thứ cấp/ Sóng hài/ Hệ số công suất
Dùng phím Select để chọn Mode 8. Hiển thị giá trị dòng thứ cấp: “I secondary” dòng từ C.T (A), nhấn và giữ “Up/(+)” để xem giá trị sóng hài ” THD-I” (%),nhấn và giữ “Down/(-)” để xem giá trị HSCS ”P.F”. Nếu I Sec < 0.5A thì THD-I sẽ không được tính toán và hiển thị “---“ .
Để chuyển qua Mode 9, bấm phím SELECT. Bỏ qua dùng Cancel
Mode 9: Operation Hour x 1000 - Kiểm tra xem thời gian hoạt động của BĐK
Dùng phím Select để chọn Mode 9. Hiển thị giá trị số giờ đã hoạt động của BĐK. Ví dụ: 0.05 x 1000 hr = 50 giờ.
Để chuyển qua Mode A, bấm phím SELECT. Bỏ qua dùng Cancel
Mode A: Alarm Information - Kiểm tra thông tin sự cố của BĐK
Dùng phím Select để chọn Mode A. Hiển thị “---“ không tồn tại sự cố. Nhấn “Up/(+)” để xem các cảnh báo sự cố tiếp theo của BĐK. Bỏ qua dùng Cancel
U – C: Bù thiếu
O – C: Bù dư
OU: Quá áp
Thd: Sóng hài
FrE: Không nằm trong giải tần số cho phép từ 45Hz – 65Hz
---: Không có sự cố
Auto/ Manual Operation Mode - Chế độ hoạt động tự động/ bằng tay
Để chọn Auto hoặc Manual chỉ cần giữ phím Auto/Manual trong vòng 2 giây.
Đèn Led AUTO/MANUAL: sẽ sáng khi ở chế độ tự động và nhấp nháy khi ở chế độ đóng bằng tay.
Manual
Nhấn phím (Up/+) một lần để đóng từng cấp riêng biệt. Giữ phím (Up/+) trong vòng 2 giây để đóng toàn bộ các cấp tiếp theo.
Nhấn phím (Down/-) một lần để gỡ bỏ từng cấp riêng biệt. Giữ phím (Down/-) trong vòng 2 giây để gỡ bỏ toàn bộ các cấp tiếp theo.
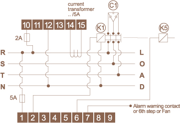
Keypad Lock/ Alarm, 6th Step or FAN - Chức năng khóa phím/ Cảnh báo sự cố, Cấp thứ 6/ Tiếp điểm cho Quạt
Khi chưa chọn Mode chức năng nào, để khóa phím điều khiển không cho phép cài đặt, nhấn đồng thời 2 phím Select & C
ancel giữ trong vòng 5 giây.
“LOC”: nhấn (Up/+) hay (Down/ -) để chọn “ON” hay “OFF”. Nhấn Set để lưu lại.
Để cài cấp thứ 6 cho NV5 là Alarm hoặc C-6 hay Fan: nhấn (Up/+) hay (Down/-) để chọn giá trị mong muốn. Nhấn Set để lưu lại.
Thông tin liên hệ
CÔNG TY TNHH THƯƠNG MẠI KỸ THUẬT AN LỘC PHÁT
Địa chỉ: Trụ sở: 31/14 Tân Trụ, Phường Tân Sơn, TpHCM.
Điện thoại: (028) 3815 3642 - Fax: (028) 3815 3743 - MST: 0311785470
Website: anlocphatco.vn - Email: info@anlocphatco.vn















