COMBINED OVER CURRENT AND EARTH FAULT RELAY DP-34
Chi tiết sản phẩm
Features |
- True RMS Measurement with SPARC1 and
|
- Auto / Manual Scroll for Real Time Display of Phase Current and Earth Fault in % |
- 6 Selectable IDMT Graphs + 1 DTL |
- Fault / lo-set & hi-set Trip LED Indication |
- Fault Start Event Recording &
|
- Pre-Alarm LED Indication + Output3 |
- Trip Event Memory
|
- Fault Start Event Memory
|
- Programmable Relay Output Contacts for K2,K3* |
- Last Trip Elapsed Time (up to 99days) |
- Software Lock to Prevent Unauthorized Setting |
- Complies with IEC-60255-26 Standards |
- Complies with IEC-60255-26 Standards |
- ANSI Code: 50P, 50G, 51P, 51G |
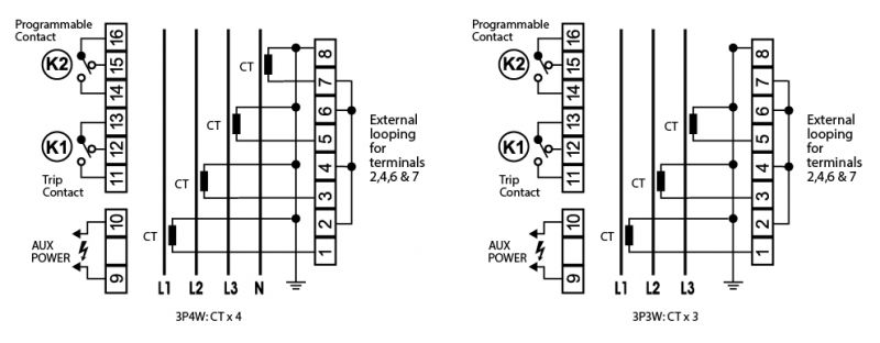
- External Plug-in Module for :-
|

.jpg)

Thông tin liên hệ
CÔNG TY TNHH THƯƠNG MẠI KỸ THUẬT AN LỘC PHÁT
Địa chỉ: Trụ sở: 31/14 Tân Trụ, Phường Tân Sơn, TpHCM.
Điện thoại: (028) 3815 3642 - Fax: (028) 3815 3743 - MST: 0311785470
Website: anlocphatco.vn - Email: info@anlocphatco.vn
Sản phẩm liên quan















