Voltage Monitoring Relay DVS-1000
Chi tiết sản phẩm
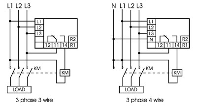
Features |
- True RMS measurement |
- Over / Under voltage monitoring |
- Phase asymmetry monitoring |
- Phase failure monitoring |
- Phase sequence monitoring |
- Trip LED indicator |
- Adjustable Over / Under voltage settings |
- Auto Reset |
- Din-railed mount |
.png)


Thông tin liên hệ
CÔNG TY TNHH THƯƠNG MẠI KỸ THUẬT AN LỘC PHÁT
Địa chỉ: Trụ sở: 31/14 Tân Trụ, Phường Tân Sơn, TpHCM.
Điện thoại: (028) 3815 3642 - Fax: (028) 3815 3743 - MST: 0311785470
Website: anlocphatco.vn - Email: info@anlocphatco.vn
Sản phẩm liên quan















