CÔNG TẮC HÀNH TRÌNH HY-LS807N
Chi tiết sản phẩm
Thông tin kỹ thuật:
Kiểu: dạng cần dài, có thể điều chỉnh kích thước
Vật liệu tiếp xúc: AgNi
Cấu trúc bảo vệ: IP 54
Dòng hiện hành(le): 6A 250V AC, 4A 30V DC (AC-15,AC-13, AC-15, DC-13)
Độ bền điện môi: 2000V AC 50/60Hz cho 1 phút(giữa các thiết bị đầu cuối và không nạp phần kim loại)
Điện trở cách điện: Min 100㏁ (500V DC cách ly ôm kế)
Điện trở tiếp xúc: Max 50㏁ (giá trị mặc định)
Điện áp định mức(Ue): 250V AC, 30V DC
Cường độ cơ cấu dẫn động: lớn hơn 5 lần so với O.F(lực cần thiết để vận hành), hướng họt động trong 1 phút
Dao động: Biên độ gấp đôi 1.5 mm, tần số 10 ~ 55 ㎐, liên tục giờ thứ 2
Shock: 1000m/s² (độ bền), 300m/s² (trục trặc)
Tốc độ hoạt động cho phép: 0.1~1m/s
Tuổi thọ: Cơ: tối thiểu 1 triệu lần( tần số gần 120 lần/phút)
Điện: tối thiểu 300000 lần (tần số gần 20 lần/phút)
Nhiệt độ môi trường: -10~70°C
Độ ẩm môi trường xung quanh: 45~95%RH
Trọng lượng: khoảng 60g
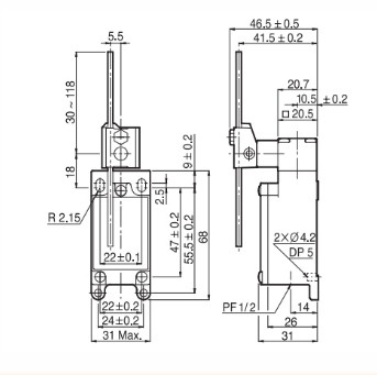
Kích thước:

Thông tin liên hệ
CÔNG TY TNHH THƯƠNG MẠI KỸ THUẬT AN LỘC PHÁT
Địa chỉ: Trụ sở: 31/14 Tân Trụ, Phường Tân Sơn, TpHCM.
Điện thoại: (028) 3815 3642 - Fax: (028) 3815 3743 - MST: 0311785470
Website: anlocphatco.vn - Email: info@anlocphatco.vn















